我的帳號
關閉
您的詢價車是空的。
關閉
您的購物車是空的。
關閉
父分類名稱

RIKO 微小薄形光電 PK5-DU03N

父分類連結 RIKO 微小薄形光電 PK5-DU03N 父分類簡述 父分類簡述(下方) 父分類內容 父分類標籤
C97802
數量標準單價出貨日
- - -
- - -
- - -
- - -

規格

特性

• 超薄體積(3.5mm),容易安裝。
• 適合狹小空間檢測物體。
• 光點集中,方便識別。
 

規格

Model

微小薄形光電
PK5-DU03NPK5-F05NPK5-1NPK5-1N2
PK5-DU03PPK5-F05PPK5-1PPK5-1P2
檢出方式Diffuse reflection /
擴散反射式
Diffuse reflection (small
spot from LED Red light)
/ 擴散反射式(紅光小光點)
Through beam / 對照式
檢出距離3 cm,White paper 10x10 cm5 cm,White paper 10x10 cm1M
發光源Red LED 632 nmInfrared LED 940nm
工作電壓DC12 ~ 24 V±10% (Ripple P-P:10% Max.)
消耗電流15 mA Max.
負載電流100mA Max. at DC24V
輸出模式N:NPN L.on
P:PNP L.on
N:NPN D.on
P:PNP D.on
N:NPN L.on
P:PNP L.on
保護電路Reversed supply circuit protection, short circuit protection output. / 電源反接保護及輸出短路保護
反應頻率2000 Hz
隔離阻抗20MΩ min. (DC500V)
絕緣耐壓AC 1000V 60Hz for 60 Sec.
工作溫度-10℃ ~ + 45℃﹙No freezing allowed不可結霜,結冰﹚
工作溼度35% ~ 85% RH 相對溼度
儲存時溫度-10℃ ~ + 55℃﹙No freezing allowed不可結霜,結冰﹚
儲存時溼度35% ~ 85% RH 相對溼度
防水等級IP 64IP 65IP 64
外觀材質ABS
出線方式Ø2.4 x 2 M / 3-wires(Receiver) Ø2.4 x 2 M / 3-wires /
(Emitter) Ø2.4 x 2 M / 2-wires
選購配件Bracket / 固定架 : PK5 / PM6 Mounting Bracket
重量20g40g
**檢測距離會因待測物材質/性質不同而有所增減**
 

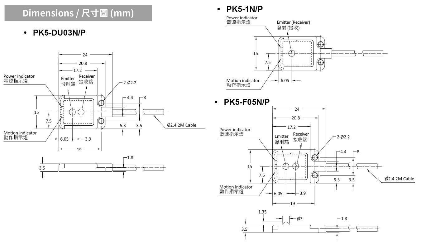
尺寸圖

RIKO 微小薄形光電 PK5-DU03N