關閉
您的詢價車是空的。
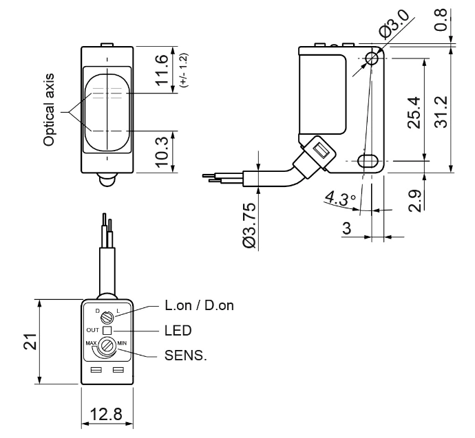
| Model | 背景消除 小方形光電 | |
| PKG3-DU20N | PKG3-DU20P | |
| 檢出方式 | Diffuse reflection type / 漫反射式 | |
| 發光源 | Visible red light / 紅光, 630nm | |
| 標準化的測量板 | 200 x 200 mm, white | |
| 工作電壓 | 10 ~ 30 VDC | |
| 內部功耗 | < 30 mA | |
| 背景抑制 | Yes / 是 | |
| 工作距離 | 30 ~ 200mm | |
| 輸出模式 | NPN | PNP | 
| 100 mA , NO/NC , 可切換 Switchable | ||
| 開關滯後 | < 10 % | |
| 壓降 | < 2.0 V | |
| 工作頻率 | 1,000 Hz | |
| 反應頻率/釋放時間 | < 0.5 ms / < 0.5 ms | |
| 工作溫度 | - 25℃ ~ 70℃ | |
| 環境光免疫 | 3 kLx Bulb light / 鹵素燈, 10 kLx Tube light / 日光燈 | |
| 防護等級 | IP 67 | |
| 外殼材料 | PA66 Plastic housing / 塑殼 | |
| 連接方式 | Cable, 2,0 m, 3-poled, flying leads | |
