關閉
您的詢價車是空的。
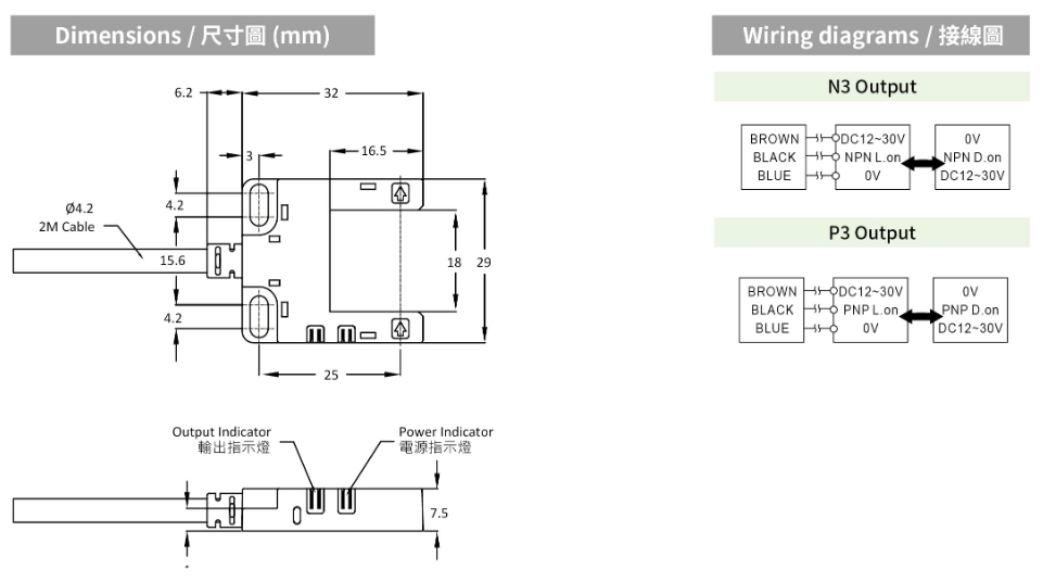
| Model | U型光電開關 | |||
輸出模式 | NPN D.on / L.on | SU18-N3 | ||
| PNP D.on / L.on | SU18-P3 | |||
| 檢出距離 | 18mm ±10% | |||
| 最小檢測物 | Opaque / 非透明體 ( Ø1.0 x 10.0mm ) | |||
| 發光源 | Infrared LED 940 nm | |||
| 工作電壓 | DC10 ~ 30V | |||
| 消耗電流 | 30 mA Max. | |||
| 負載電流 | 100mA Max. at DC24V | |||
| 輸出模式 | NPN L.on / D.on | |||
| 反應頻率 | 1000 Hz | |||
| 使用環境光源 | Incandescent light / 白熾燈 : 5,000 lux max. | |||
| 隔離阻抗 | 20MΩ min. (DC500V) | |||
| 絕緣耐壓 | AC1000V 60Hz for 60 Sec. | |||
| 工作溫度 | -10℃ ~ + 55℃ (不可結霜,結冰) | |||
| 溼度範圍 | 45% ~ 85% RH 相對溼度 | |||
| 防水等級 | IP65 | |||
| 外觀材質 | 鋅合金鍍線 | |||
| 出線方式 | Pre-wired Ø4.2 x 2M / 3-wires | |||
| 重量 | 70g | |||
