關閉
您的詢價車是空的。


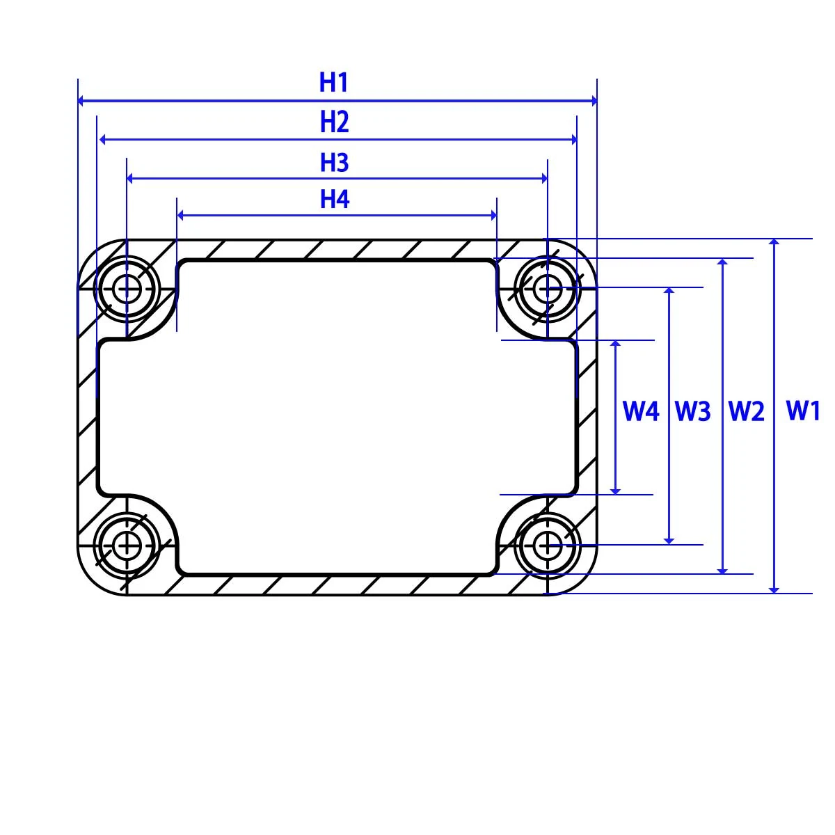
| 型號 | 尺寸(mm) | ||||||||||
| 灰色上蓋 | 透明上蓋 | W1 | W2 | W3 | W4 | H1 | H2 | H3 | H4 | D1 | D2 |
| TGA-0506 | TGC-0506 | 50.1 | 42.5 | 37 | 24.5 | 65 | 52.1 | 39.8 | 20 | 35.3 | |
| TGA-0609 | TGC-0609 | 65 | 57.32 | 47 | 28.32 | 95 | 87.32 | 77 | 58.32 | 15 | 40 |
| TGA-0811-S | TGC-0811-S | 80 | 73 | 62 | 44 | 110 | 103 | 92 | 74 | 20 | 25 |
| TGA-0811 | TGC-0811 | 80 | 72.5 | 62 | 43.4 | 110 | 102.5 | 92 | 73.5 | 20 | 50 |
| TGA-0811-1 | TGC-0811-1 | 80 | 72.5 | 62 | 43.4 | 110 | 102.5 | 92 | 73.5 | 85 | |
| TGA-0813 | TGC-0813 | 80 | 72.5 | 62 | 43.5 | 130 | 122.5 | 112 | 93.5 | 20 | 50 |
| TGA-0813-1 | TGC-0813-1 | 80 | 72.3 | 62 | 43.3 | 130 | 122.3 | 112 | 93.3 | 20 | 65 |
| TGA-0816-S | TGC-0816-S | 80 | 160 | 55 | |||||||
| TGA-0818 | TGC-0818 | 80 | 72.3 | 62 | 43.7 | 180 | 172.3 | 162 | 143.7 | 20 | 50 |
| TGA-0825 | TGC-0825 | 80 | 69.3 | 62 | 42.9 | 250 | 239.3 | 232 | 212.9 | 20 | 50 |
| TGA-0825-1 | TGC-0825-1 | 80 | 68.8 | 62 | 42.4 | 250 | 238.3 | 232 | 212.4 | 20 | 65 |
| TGA-1010 | TGC-1010 | 97.1 | 89.1 | 82 | 62.7 | 97.1 | 89.1 | 82 | 62.7 | 20 | 55 |
| TGA-1212-S | TGC-1212-S | 125 | 116.1 | 107 | 88.7 | 125 | 116.1 | 107 | 88.7 | 20 | 55 |
| TGA-1212 | TGC-1212 | 125 | 115.6 | 107 | 88.2 | 125 | 115.6 | 107 | 88.2 | 20 | 79.9 |
| TGA-1217-S | TGC-1217-S | 124.9 | 114.1 | 107 | 87.7 | 175 | 164.1 | 157 | 137.7 | 20 | 55 |
| TGA-1217-1 | TGC-1217-1 | 124.9 | 113.3 | 107 | 86.8 | 174.9 | 163.3 | 157 | 136.6 | 20 | 79.9 |
| TGA-1417 | TGC-1417 | 140 | 131.7 | 122 | 103.2 | 170 | 161.7 | 152 | 133.2 | 20 | 80 |
| TGA-1520-S | TGC-1520-S | 150 | 139.1 | 132 | 112.7 | 200 | 189.1 | 182 | 162.7 | 20 | 55 |
| TGA-1520 | TGC-1520 | 150 | 138.3 | 132 | 111.8 | 200 | 188.3 | 182 | 161.9 | 20 | 80 |
| TGA-1520-1 | TGC-1520-1 | 150 | 137.2 | 132 | 110.8 | 200 | 187.3 | 182 | 160.8 | 20 | 109.9 |
| TGA-1525 | TGC-1525 | 150 | 139 | 132 | 112.7 | 250 | 239 | 232 | 212.7 | 20 | 80 |
| TGA-1525-1 | TGC-1525-1 | 150 | 138.3 | 132 | 111.9 | 250 | 238.3 | 232 | 212 | 20 | 110 |
| TGA-1717-1 | TGC-1717-1 | 175 | 163.5 | 157 | 136.8 | 175 | 163.5 | 157 | 136.8 | 20 | 79.9 |
| TGA-2020-S | TGC-2020-S | 200 | 188.4 | 182 | 162 | 200 | 188.4 | 182 | 162 | 20 | 75 |
| TGA-2020 | TGC-2020 | 200 | 187.2 | 182 | 160.8 | 200 | 187.2 | 182 | 160.8 | 20 | 110 |
| TGA-2819 | TGC-2819 | 190 | 168 | 167 | 135 | 280 | 263 | 257 | 225 | 31.5 | 98.5 |
| TGA-2819-1 | TGC-2819-1 | 190 | 168 | 167 | 135 | 280 | 263 | 257 | 225 | 80 | 100.5 |
| TGA-2828 | TGC-2828 | 280 | 257 | 255 | 230 | 280 | 257 | 255 | 230 | 31.5 | 98.5 |
| TGA-2828-1 | TGC-2828-1 | 280 | 257 | 255 | 230 | 280 | 257 | 255 | 230 | 81.5 | 98.5 |
| TGA-2834 | TGC-2834 | 280 | 257 | 255 | 230 | 340 | 317 | 315 | 290 | 31.5 | 98.5 |
| TGA-2834-1 | TGC-2834-1 | 280 | 257 | 255 | 230 | 340 | 317 | 315 | 290 | 81.5 | 98.5 |
| TGA-2838 | TGC-2838 | 280 | 257 | 255 | 230 | 380 | 357 | 355 | 330 | 31.5 | 98.5 |
| TGA-2838-1 | TGC-2838-1 | 280 | 257 | 255 | 230 | 380 | 357 | 355 | 330 | 81.5 | 98.5 |
| TGA-3030 | 300 | 300 | 120 | ||||||||
| TGA-3819 | TGC-3819 | 380 | 361.3 | 356 | 327.74 | 190 | 166.7 | 166 | 137.84 | 30 | 100 |
安裝地點如空氣中含鹽份或酸鹼等特殊場所,請務必告知,將提供適當材質開關箱。
請確認箱體大小是否符合配線、配盤需求。

請確認開孔形狀、孔徑尺寸大小及孔洞間距,並確認開孔面是否符合開孔需求。

請一律提供CAD圖面以降低開孔誤差。

有三種管道可以詢價:
請提供所需開孔之箱體尺寸、開孔形狀及CAD圖面,等待技術人員為您報價。