關閉
您的詢價車是空的。
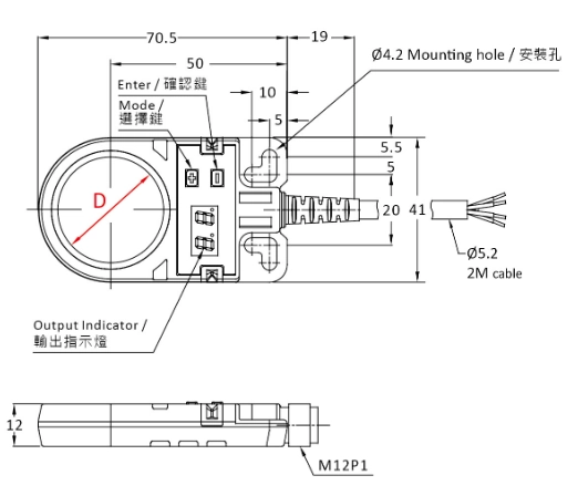
Model | 環形近接開關 | |||||
| 出線式 Ø5.2 | SID05-KP2 | SID10-KP2 | SID15-KP2 | SID22-KP2 | SID30-KP2 | |
| M12 出線式接頭型 | SID05-KP2K1 | SID10-KP2K1 | SID15-KP2K1 | SID22-KP2K1 | SID30-KP2K1 | |
| 檢測孔直徑 | D = 5mm | D = 10mm | D = 15mm | D = 22mm | D = 30mm | |
| 最小檢測物 | 0.8 mm min. | 1.2 mm min. | 2 mm min. | 3 mm min. | 5 mm min. | |
| 工作電壓 | DC 12 ~ 24V | |||||
| 消耗電流 | 30 mA | |||||
| 負載電流 | 100 mA Max. at DC 24V | |||||
| 輸出模式 | NPN N.O / N.C. , PNP N.C. / N.O. | |||||
| 工作溫度 | -20℃ ~ +60℃ | |||||
| 防水等級 | IP 64 | |||||
| 選購配件 | M124R-PVC-2M | |||||
出線方式 | SID-□KP2 | Ø5.2 X 2M / 4-wires | ||||
| SID-□KP2K1 | M12 plug in connector type / M12 出線式接頭型 | |||||
重量 | SID-□KP2 | 100g | 100g | 100g | 96g | 92g |
| SID-□KP2K1 | 32g | 32g | 32g | 31g | 28g | |

