關閉
您的詢價車是空的。
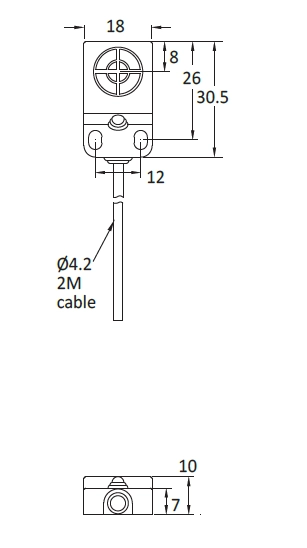
| Model | 方形電感式近接開關 | ||
輸出模式 | NPN N.O. / N.C. | SND04-N3 | SND04-N3B |
| PNP N.O. / N.C. | SND04-P3 | SND04-P3B | |
| 檢出距離 | 4 mm ±10% | ||
| 建議距離 | 0 ~ 3.2 mm | ||
| 標準檢測物 | Iron / 鐵 18 x 18 x 1mm | ||
| 檢出方式 | Front surface / 上方 | ||
| 遲滯 | ≦ 10 % of sensing distance / 檢測距離的 10 %以下 | ||
| 反應頻率 | 500 Hz | ||
| 工作電壓 | DC 12 ~ 30V | ||
| 消耗電流 | ≦ 8 mA no-load | ||
| 負載電流 | 100 mA Max. at DC 30V | ||
| 殘餘電壓 | ≦ DC 1.5V | ||
| 隔離阻抗 | 20MΩ min. (DC500V) | ||
| 絕緣耐壓 | AC1000V 60Hz for 60 Sec. | ||
| 工作溫度 | -20℃ ~ + 60℃ | ||
| 防水等級 | IP 66 | ||
| 選購配件 | M84R-2M-PVC / M84RL-2M PVC | ||
| 出線方式 | Pre-wired Ø4.2 x 2M / 3 wires | M8 pigtailed type / M8 出線式接頭型 | |
| 重量 | 60g | 18g | |


